Power Connection Tools Technical Info
Schematics
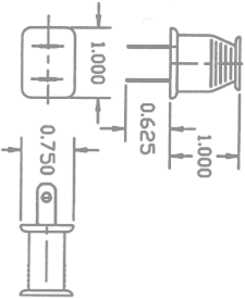
2 Conductor Molded Male Locking Plugs
2 Conductor Molded Male Locking Plugs
Guage-Conds: Flat
18/2 SPT-2, SPT-3, HPN
16/2 SPT-2, SPT-3, HPN
Wire Type: Round
18/2SVT, SV, SVO, SJT, SJ, SJO, SJ, SJTO, SJTW-A, SJTW, SJOW
16/2 SJT, SJTO, SJTW, SJTW-A, SJ, SJO, HSJO, SJOW
14/2 SJT, SJTO, SJTW, SJTW-A, SJ, SJO, HSJO, SJ, SJOW
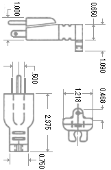
Guage-Conds: Flat
18/2 SPT-2, SPT-3, HPN
16/2 SPT-2, SPT-3, HPN
Wire Type: Round
18/2SVT, SV, SVO, SJT, SJ, SJO, SJ, SJTO, SJTW-A, SJTW, SJOW
16/2 SJT, SJTO, SJTW, SJTW-A, SJ, SJO, HSJO, SJOW
14/2 SJT, SJTO, SJTW, SJTW-A, SJ, SJO, HSJO, SJ, SJOW
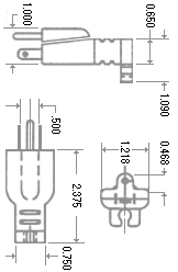
Guage-Conds: Flat
18/2 SPT-2, SPT-3,HPN
16/2 SPT-2, SPT-3,HPN
Wire Type: Round
18/2SVT, SV, SVO,SJT, SJ, SJO, SJ, SJTO, SJTW-A, SJTW, SJOW
16/2 SJT, SJTO,SJTW, SJTW-A, SJ, SJO, HSJO, SJOW
14/2 SJT, SJTO,SJTW, SJTW-A, SJ, SJO, HSJO, SJ, SJOW
Contact Information
American Cordset Industries